LH0636 E39, 5kv pulse rated mogul base HID lamp holder/socket with captive bushings and 17" leads
LH0636 E39, 5kv pulse rated mogul base HID lamp holder/socket with captive bushings and 17" leads is backordered and will ship as soon as it is back in stock.
Product Downloads
Description
Description
The LH0636 E39, 5kv pulse rated mogul base HID lamp holder/socket with captive bushings and 17" leads is the ultimate solution for those seeking reliable and efficient lighting solutions. This high-performance mogul base socket is particularly designed for high-intensity discharge (HID) systems, providing the perfect blend of durability and functionality. With its robust construction, this lamp holder ensures compatibility with a wide range of high-wattage lamps, making it an essential component in various lighting setups.
- High Voltage Rating: Rated for 5kv, ensuring safety and reliability in demanding applications.
- Versatile Compatibility: Works seamlessly with E39 mogul base lamps, making it suitable for various HID systems.
- Maximum Wattage: Supports lamps up to 1500w at 600v, providing powerful lighting options.
- Durable Material: Constructed from high-quality porcelain, ensuring long-lasting performance.
- UL and CSA Listed: Guarantees compliance with industry standards for safety and effectiveness.
- Captive Bushings: Designed for easier installation, streamlining the setup process.
- Robust Wiring: Features #14 AWG wiring with sturdy 17" leads for reliable connectivity.
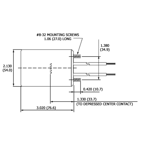
- Compact Design: With an overall height of 3.02", it's perfect for versatile applications.
- Replacement Option: Serves as a reliable alternative to Leviton model 073-08746-003.
- Peace of Mind: Provides superior performance, making it an ideal choice for both new installations and replacements.
In summary, the LH0636 E39, 5kv pulse rated mogul base HID lamp holder/socket with captive bushings and 17" leads is engineered for those who demand high-quality and efficient lighting solutions. Its robust features and reliable performance make it an excellent choice for any lighting project. Don't settle for less; choose the LH0636 to ensure your lighting setup is not only functional but also meets industry standards. Order now and experience the difference!
Payment & Security
Payment methods
Your payment information is processed securely. We do not store credit card details nor have access to your credit card information.


